1. 日皮视频免费看软件,日皮视频APP在线看黄,日皮视频APP看片,日皮视频APP下载安装

      欢迎来到上海日皮视频免费看软件自动化设备有限公司网站!

      15921758826

      热门搜索:

      日皮视频APP看片测试仪,上海日皮视频APP在线看黄测试仪,日皮视频APP下载安装,水平垂直燃烧测试仪

      产品中心

      热门新闻

      联系日皮视频免费看软件

      上海日皮视频免费看软件自动化设备有限公司

      联系人:陆先生

      联系电话:15921758826

      地址:上海市金山区山阳镇卫清东路2312


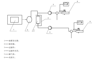
      过滤件滤烟性能测试仪 上海日皮视频免费看软件 操作简介

      过滤件滤烟性能测试仪 上海日皮视频免费看软件 操作简介
      访问量 : 566361
      编辑时间 : 2023-07-24
      详细介绍:

      过滤件滤烟性能测试仪

       

      一,用途

      实验室防毒滤盒 防毒面具过滤元件甲醛,有机蒸气滤毒盒甲醛,有机蒸气滤毒盒过滤件滤烟测试仪器。

      一,产品特点

      A,7寸彩色触控屏搭配智能化的数据处理功能,为用户提供舒适流畅的操作体验

      B,简洁直观的操作界面、便利的用户自定义测试功能以及完善的数据分析和报告功能能够测试流量,油浓度监测,油雾发生器和光度计采用美国TSI完全进口

      C,可自动校准标定,操作过程简单便捷

      D,全新UI界面设计,直观的操作界面,带来操作体验的极大提升

      E,支持多种规格样品测试,不同规格针用户可自由选择

      F,具有数据自动存储、掉电自动记忆功能

      G,储存数据可达50000多条,配嵌入式打印机



      二,主要参数

      1,油雾发生器:介质发生浓度为150mg/m3~200mg/m3的气溶胶状油雾;

      2,粒径分布为0.02μm~2μm,质量中位径为0.3μm;

      3,气溶胶流量:(30±0.5)L/min;美国TSI光度计:检测范围(0.001~200)mg/m3,精度为1%,响应时间不大于500ms。

      4,油雾 发 生 器:使 用 玉 米 油,能 发 生 气 量 不 低 于 100L/min 的 气 溶 胶 状 油 雾,粒 径 分 布 为 0.02μm~2μm;

      5,台湾进口抽气泵:0-300L/MIN;

      6,Y12氧化夹具1套

      7,加热温度范围:全自动控温0-100°

      5,外形尺寸:640mmX430mmX700mm

      重 量:50Kg

      电 源:220V 50Hz

      三,测试原理:  GB2890—2009,GB 2626,EN 136,EN 149,JIS T8151

       

      四,标准配置:主机、微型打印机、触控屏、测试夹具、发生器美国,光度计美国,电源线等


      image.png


       上海日皮视频免费看软件自动化设备有限公司致力于提供材料测试方面的实验室整体解决方案,广泛服务于纤检、质检、商检、科研院所等企事业单位及各类实验室。

      日皮视频免费看软件的产品有:鲁尔圆锥接头多功能测试仪、织物摩擦电荷量测试仪、皮肤缝合针弹性韧性测试仪、口罩细菌过滤效率测试仪、静电衰减测试仪、百格十字刮擦测试仪、热阻湿阻测试仪、强力机等三百多款产品涵盖二十多个系列。

      公司以行业高素质的技术人才为根本,以的科学技术为依托,同时与国内大院校、科研院所、生产厂家密切合作。日皮视频免费看软件自创办以来直以"科技兴企,创新求实,客户至上,真诚待人,踏实做事!"为经营方针,日皮视频免费看软件直愿做客户好的合作伙伴,给伙伴提供优质的产品,贴心的服务是永远的追求!感谢八方朋友的一路相伴而行,希望有更多的朋友加入日皮视频免费看软件,让日皮视频免费看软件共同发展壮大!

      昨天日皮视频免费看软件披荆斩棘,崭露头角,今天日皮视频免费看软件精诚奉献,视企业发展为己任;明天日皮视频免费看软件定会缔造辉煌,与您共创双赢!

      相关新闻

      15921758826
      网站地图